手机

密码

注册 忘记密码?
商品一条街
对话墙
优惠券
任务大厅
外文翻译
中小学辅导
中国名茶
游乐园
网站首页
关于我们
时事新闻
湘君团购
文档中心
商家合作
湘君秒杀
君选商品
机器人工作空间
❤ 收藏

机器人工作空间

工作空间

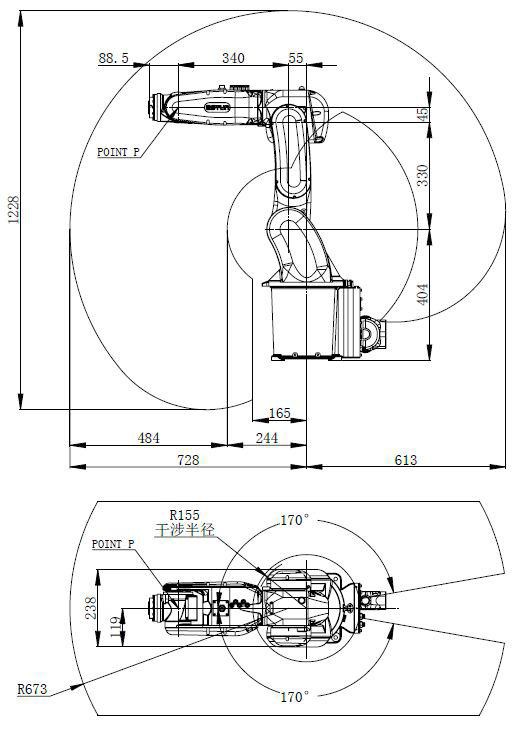
图纸显示六轴工业机器人实训工作平台的机器人工作空间数据。

六轴工业机器人实训工作平台广泛用于各类学校工业机器人培训,如有需要请与我们联系(主页提供的信息或致电13827051856,邮箱:hnxjmr2020@163.com)

¥199.00
¥149.00
¥0.00
¥0.00
¥0.00
¥0.00
¥0.00
重量:0.50KG
图纸名称:
数量:
(库存99999)
立即购买
加入购物车
商品参数
  • 图纸含义:工作空间
商品描述

图纸显示六轴工业机器人实训工作平台的机器人工作空间数据。

六轴工业机器人实训工作平台广泛用于各类学校工业机器人培训,如有需要请与我们联系(主页提供的信息或致电13827051856,邮箱:hnxjmr2020@163.com)


这是网站顶部广告栏三个产品之一,客户买下广告位后,由客户确定的产品。
这个产品的所有特性,包括图片更改等,都将由客户决定。
特色服务品质保证

售后服务


总则

换货与退货

取消订单

退款

联系客服


关于我们


网站基础

主要模块

网站开拓性

加入我们

服务保障体系


友情链接


友情链接1

友情链接2

友情链接3

友情链接4

友情链接5

友情链接6


支付方式


货到付款

在线支付

银行转账

Papal

其它方式


物流配送


自提

物流快递

配送服务查询

发货与签收

常见问题

海外配送



购物指南


免费注册

购物流程

收货地址

发票

会员等级

联系客服